ECO-141 hotel RFID lock
- Material:Stainless Iron
- Working Voltage:DC6V or 4 AA Alkaline batteries
- Low Voltage Alarm:<4.8V
- Working Environment:-20℃~60℃
- Unlocking record:1680PCS
- Door Thickness:38-70
- Keycard Option:Mifare 1 card
- Size:L338mm x W72mm x H22mm
ECO-141 hotel lock Summary
ORBITA ECO-141 Hotel Lock made of grade Stainless Iron with a ABS card reader cover, with strong resistance to impact, corrosion and abrasion.
ECO-141 Door Lock can support other types of hotel management software, Fidelio/Opera, and Orbita wireless portable programmer for door lock setting, data collection and download functions.our products adopt the American standard 5-point tongue lock body with an anti-shim plunger design and an abnormal latch bolt alert for double security, stability and reliability. Functions such as door left open warning, low battery voltage warning, channel function and all-in-one function are available.
Product Details
- Solid deadbolt
- Renovated clutch inside lock panels
- Standard 1680 events,optional 3360events
- Optinal Bluetooth & Wireless Online solution
- Interface with Opera or FIAS format PMS
Technical Details
Door Thickness:1.496″ (38mm) to 2.756″ (78mm) for standard product
- Operating Power: Quiescent current: <30 μA;
- dynamic current: < 200 mA
- Battery Life: last over one year
- Working Temperature: -20 ℃– 60℃;
- Relative Humidity: 20% – 90%
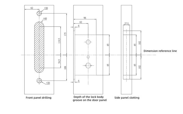
Drill holes (Unit:mm)
ECO-141 Hotel lock M10 mortise Square plate (Right Open), Note: 1. The continuous thick line parts are to be drilled, pls refer to the picture dimensions.
2.Centerline of lock body is the dimension datum line.
3.Dimension unit: mm.
4. The carmine dot line part is lock body, the continuous thin line part is door part.




























